产品中心
首页 > 产品中心 > 690V光伏风电交流电涌保护器
详细介绍
690V光伏/风电交流电涌保护器 
型号:AM40AM60;AM80;AM100;AM120;AM160

适用范围:www.sbdz.com
该产品主要应用于光伏交流汇流箱、风力发电供配电系统的雷电浪涌过电压防护,安装于配电箱、柜内,防 止用电设备因浪涌侵入而损坏。
 
性能特点
 ● 通流容量大,残压低, 响应时间快;
 ● 漏电流及变化率小;
● 采用最新热脱离技术,彻底避免火灾;
● 采用特殊冲击熔片,具有高可靠性;
● 采用温控保护电路,内置热保护,短路故障自动脱离装置;
● 采用标准模块化设计, 安装简单,维护方便;
● 核心元件采用国际知名品牌,性能优异,工作稳定可靠;
● 可以实现凯文接线;结构严谨,安装方便,维护简单;
● 工艺考究,能在酸、碱、尘、盐雾及潮湿等恶劣环境下长期工作。

主要技术参数

690V交流电源防雷器选型表
系列 型号 主要参数 响应时间 保护模式 外形尺寸
(mm)
最大通流容量(Imax) 标称放电电流(In) 最大持续工作电压(Uc) 保护水平(Up)
AM40 AM40750 40kA 20kA 750V 3.3kV 25ns 3+NPE 90×62×54
 
AM60 AM60750 60kA 30kA 750V 3.6kV 25ns 3+NPE 90×62×54
 
AM80 AM80750 80kA 40kA 750V 3.8kV 25ns 3+NPE 90×62×54
 
AM100 AM100750 100kA 50kA 750V 4.0kV 25ns 3+NPE 90×62×54
 
AM120 AM120750 120kA 60kA 750V 4.3kV 25ns 3+NPE 90×62×54
 
AM160 AM160750 160kA 80kA 750V 5.0kV 25ns 3+NPE 90×60×54
 
安全注意事项
   ● ·当690V交流电源防雷器安装于最终系统时,必须执行标准  GB4943(EN60950,IEC60950)的所有要求。
   ● 设备应当由被授权的专业人员安装。安装时必须断开电源,严禁带电操作,以防发生意外。

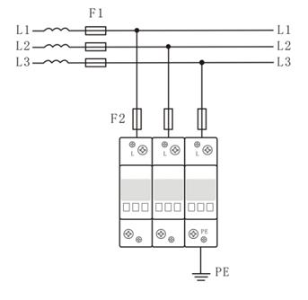
产品接线图: 


使用、维护
◆ 防雷器无需特别维护。应定期检查其连接是否松动,工作状态指示是否正常 ,特别是在雷雨季节前及整个雷雨期。
◆ 当690V防雷器故障指示窗口片变为红色,则说明690VAC防雷模块已失效,必须立即更换。


联系我们
全国统一服务电话: 0755-22310076
24小时热线: 0755-22310076 22310075 22310079
邮箱:shenzhen@sbdz.com
网址:www.sbdz.com
公司总部:深圳市福田区上步北路(体育馆东)城市主场B座1601
版权所有©1995-20020深圳市社保电子技术有限公司。保留所有权利 | Power by DedeCms粤ICP备05003742号
 
QQ在线咨询
售前咨询热线
0755-22310076
售后咨询热线
0755-22310076