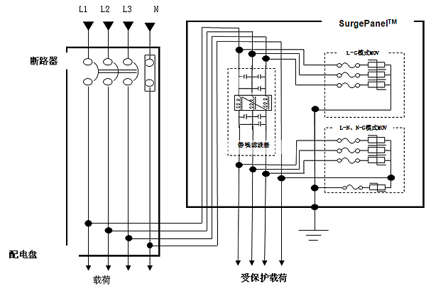
FrimeSolution名为SurgeBox TM H-系列的电涌保护器(北美市场名为TVSS) 为敏感的电子载荷提供纯净电力。 SurgeBcx TM可以对高能感应雷电涌以及其 他形式的瞬态干扰进行分流。正确安装的SwgeBox TM可以保护电信设施中的关键设备。
SurgeBox TM使用接地的低阻抗分流线路除去配电系统中的电力干扰。 SurgeBox TM可吸收电涌和电线噪声,并防止它们通过配电系统电线传送到敏感的电子载荷。 SurgeBcx TM可承受AC电力线上的重复感应雷电涌 (1.2/50 20kV, 8/20 10kA)。这些测试等级符合IEEE标准C62.41类别C3。
SurgeBox TM内置电涌载流额定热耗散保险丝系统。
根据IEC 61643-1标准,H-系列符合CE安全EN 61643-1。
K-系列可同时使用三相和单相。
H-系列的绿色指示灯表明各相位工作正常,红色指示灯表明各相位状态异常。
使用范围:
用于AC电路的SurgeBox TM可安装在主要进线口、配电盘和副盘上n
这些产品可以避免设施和设备由于闪电、感应、开关突破等导致的外部瞬态电压及电涌而受损。
SurgeBox TM H-系列的中性线必须始终连接。这些设备不适含中性线不接地的系统。SurgeBox TM H-系列应使用TN-S、TT、IT系统的三相220〜240VAC(相线到中性线电压),4线+接地。




