产品中心
首页 > 产品中心 > 3R30系列
详细介绍
插件陶瓷大通流气体放电管
3R30系列
封裝: DIPΦ30X26
型号:3R600PI-100
 
产品特性:
1、无辐射
2、符合RoHS标准
3、低插入损耗
4、瞬态反应时间快
5、超低电容
 
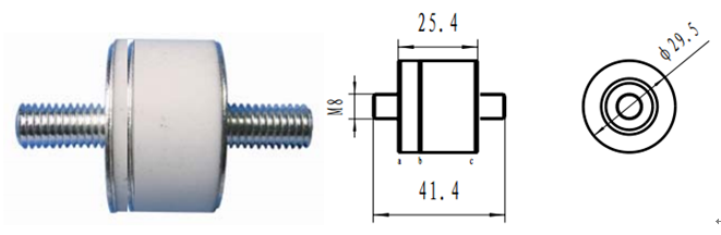
产品尺寸图:
  
产品应用:
1、通讯设备
2、CATV设备
3、测试设备
4、数据线
5、电源
6、电信SLIC的保护
7、宽带设备
8、ADSL设备,包括ADSL2+
9、XDSL设备
10、卫星和CATV设备
11、消费电子
 
产品技术参数:
 
联系我们
全国统一服务电话: 0755-22310076
24小时热线: 0755-22310076 22310075 22310079
邮箱:shenzhen@sbdz.com
网址:www.sbdz.com
公司总部:深圳市福田区上步北路(体育馆东)城市主场B座1601
版权所有©1995-20020深圳市社保电子技术有限公司。保留所有权利 | Power by DedeCms粤ICP备05003742号
 
QQ在线咨询
售前咨询热线
0755-22310076
售后咨询热线
0755-22310076