产品中心
首页 > 产品中心 > 贴片二极管3.8x2.3x4.6
详细介绍
贴片二极管3.8x2.3x4.6
 
贴片陶瓷放电二极管
系列号:SM-2R3.8x2.3x4.6
 
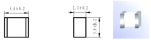
外形尺寸


规格参数

 

项目
贴片2R系列陶瓷气体 放电管(3.8x2.3x4.6/mm) 
规格
 
SM2R90V
SM2R150V
SM2R230V
SM2R350V
SM2R600V
标称直流击穿电压 (100V/S)
90V±25%
150V ±20%
230V ±20%
350V±20%
600V±20%
最大冲击击穿电压 (1KV/us)
500V
500V
600V
700V
1000V
耐冲击电流(长波)
 (10/1000us,10times)
100A
100A
100A
100A
100A
耐交流电流
 (50Hz,1S,5times)
1A
1A
1A
1A
1A
最小绝缘电阻
 
1GΩ
1GΩ
1GΩ
1GΩ
1GΩ
最大极间电容
 (1KHz)
1pF
1pF
1pF
1pF
1pF

联系我们
全国统一服务电话: 0755-22310076
24小时热线: 0755-22310076 22310075 22310079
邮箱:shenzhen@sbdz.com
网址:www.sbdz.com
公司总部:深圳市福田区上步北路(体育馆东)城市主场B座1601
版权所有©1995-20020深圳市社保电子技术有限公司。保留所有权利 | Power by DedeCms粤ICP备05003742号
 
QQ在线咨询
售前咨询热线
0755-22310076
售后咨询热线
0755-22310076