8路网络千兆信号防雷器
型号:SBRJ45-E1000/8
SBRJ45-E1000/8主要针对8个千兆以太网端口进行电涌防护,适用于保护单台计算机或服务器、交换机,SBRJ45-E1000/8/16/24可分别保护8路、16路和24路千兆以太网标准双绞线,适用于布线标准为六类系统的SWITCH、HUB、ROUTER和计算机等网络设备的雷击或其他电涌保护。
应用范围:
用于单机工作站、网络线路、交换机、雷击等的线路防雷保护。主要用于局域网数据、信息传输线及其设备的防雷、过压保护,如10/100/1000Mbps SWITCH、HUB、ROUTER等网络设备的雷击和雷电电磁脉冲造成的感应过电压保护。应用在雷击保护区1-2区和2-3区网络线路浪涌过电压保护;大容量10000A,快速反应(10纳秒),过流自断开,自恢复;网络机房服务器防护;网络机房其它带网络接口设备防护 。
产品特点:
● 响应时间短,在1纳秒内;插入损耗低。
● 当雷击侵入时,无需中止用电设备,不影响正常运作。
● 采用多级保护电路,残压水平低,PCB采用微带设计,隔离好线扰低。
● 数据传输率高,使用频率范围大。
●外观设计新颖,体积小安装方便;使用方便,无须维护。
技术参数:
|
产 品 型 号 |
SBRJ45-E1000/8 |
|
保护路数 |
8路 |
|
标称工作电压Un |
5V |
|
最大允许工作电压 |
6V |
|
标称放电电流(8/20μs)In |
2.5KA |
|
最大放电电流(8/20μs)Imax |
5KA |
|
线-线电压保护水平(In)Up |
≤15V |
|
线-PG电压保护水平(In)Up |
≤150V |
|
寄生电容 C |
≤25pF |
|
适应传输速率 Vs |
1000Mbps |
|
保护形式 |
8线(Pin1/2,3/6,4/5,7/8) |
|
安装模式 |
串联 |
|
插入损耗 Ae |
≤0.5dB |
|
响应时间 Ta |
≤1ns |
|
接口形式 |
RJ45 |
|
外壳材料 |
屏蔽金属 |
|
安装方式 |
35mmDIN轨/桌面 |
产品安装:
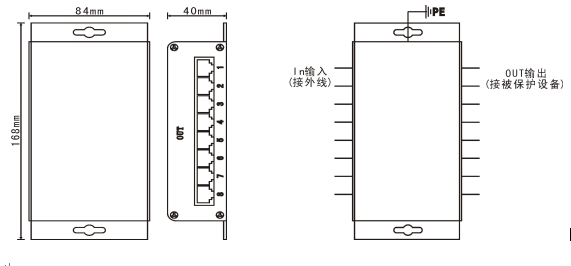
可安装在雷电保护分区的LPZOB-1界面或更高的界面,同时保护一路或路千兆网络线路。在安装布线时,被保护数据线的信号不应被未保护端线缆和接地线的电涌电流所污染;接地线应尽可能通过最短的路径接地,长度不要超过1.5米; 数据线缆的弯曲半径不能小于35mm。
安装时注意线缆进出方向,有“IN”和“OUT”标志。“IN”始终为非保护侧,并指示过电压可能产生的方向、保护侧“OUT”指向被保护区域或设备,通过接地导线进行等电位连接,安装时应尽量靠近被保护设备可方便安装在15/35mm标准导轨上,产品仅有一个垂直单位高度(1U),占用空间少,并通过90°、180°和270°旋转安装支架,支持多种水平和垂直安装方式,特别适合安装于19″机柜内。安装时注意进出电涌保护器的线缆应分开走线,以免出现电涌的二次耦合。
产品维护:
应定期检查电涌保护器的工作情况,如果发现因为电涌保护器的原因引起系统传输性能的降低或信号中断,提示用户保护电路已失效,保护器对安装在它下游的电子设备失去保护作用,用户须立即更换保护器。
